Mopar owner's club
Le site du club des amateurs de Dodge, Chrysler, Plymouth, DeSoto, Imperial, AMC, Jeep
     
Nous sommes le Mer Oct 22, 2025 3:00 pm

Heures au format UTC + 1 heure




Poster un nouveau sujet Répondre au sujet  [ 60 messages ]  Aller à la page 1, 2, 3, 4  Suivante
Auteur Message
MessagePosté: Ven Oct 27, 2017 12:24 pm 
Hors ligne
Mopar interested
Mopar interested

Enregistré le: Mer Oct 25, 2017 12:44 pm
Messages: 83
Bonjour,

Je viens cherché de l'aide car je n'y connais pas grand chose parti électrique.
Voila je possède donc une Plymouth Satellite de 71 tout marche parfaitement sauf les clignotants.

Je m'explique :
-Quant je met un clignos rien ne se produit, la centrale ne fait aucun bruit rien.
-Quant je met les warnings, ils fonctionnent, la centrale warning marche et "cliquète" , et quant je met en meme temps un cligno, la centrale clignotant ce met en marche aussi, elle cliquète !

Ma conclusion est que le courant passe pour les clignotants que quant les warning sont aussi en marche !

Pour info :
-Centrale clignotant et warning neuf
-Tout les fusibles neuf, tester et ok
-La pièces en plastique derrière le volant qui permet le contact avec des petite lame est en bon état et semble avoir aucune anomalie
-ampoules ok

Voila les clignos marchaient mais le régulateur de tension a laché donc trop d'intensité arrivé et ma donc détérioré un composant ?!

Merci pour votre aide.


Haut
 Profil  
Répondre en citant le message  
MessagePosté: Ven Oct 27, 2017 12:32 pm 
Hors ligne
Mopar addict confirmé
Mopar addict confirmé
Avatar de l’utilisateur

Enregistré le: Jeu Oct 24, 2013 5:42 pm
Messages: 1656
Localisation: "death" Vallet 44
tes feux stop fonctionnent?

_________________
Dodge Charger 68 383ci 4bbl


Haut
 Profil  
Répondre en citant le message  
MessagePosté: Ven Oct 27, 2017 12:40 pm 
Hors ligne
Mopar interested
Mopar interested

Enregistré le: Mer Oct 25, 2017 12:44 pm
Messages: 83
bricabroc69 a écrit:
tes feux stop fonctionnent?


Oui ils fonctionnent parfaitement... je comprend pas du tout.


Haut
 Profil  
Répondre en citant le message  
MessagePosté: Ven Oct 27, 2017 12:48 pm 
Hors ligne
Mopar addict
Mopar addict

Enregistré le: Sam Aoû 13, 2016 1:53 pm
Messages: 659
c'est celle en vente sur le bon coin ?


Haut
 Profil  
Répondre en citant le message  
MessagePosté: Ven Oct 27, 2017 12:50 pm 
Hors ligne
Mopar interested
Mopar interested

Enregistré le: Mer Oct 25, 2017 12:44 pm
Messages: 83
roadrunner76 a écrit:
c'est celle en vente sur le bon coin ?


Yes c'est celle-ci


Haut
 Profil  
Répondre en citant le message  
MessagePosté: Ven Oct 27, 2017 12:52 pm 
Hors ligne
Mopar addict
Mopar addict

Enregistré le: Sam Aoû 13, 2016 1:53 pm
Messages: 659
c'est moi qui t'avait demandé le vin, et le numero de moteur !


Haut
 Profil  
Répondre en citant le message  
MessagePosté: Ven Oct 27, 2017 12:57 pm 
Hors ligne
Mopar warrior
Mopar warrior
Avatar de l’utilisateur

Enregistré le: Mer Avr 25, 2007 8:28 am
Messages: 2501
Localisation: Pau - 64
Mugen a écrit:
Voila les clignos marchaient mais le régulateur de tension a laché donc trop d'intensité arrivé et ma donc détérioré un composant ?!


Question composants liés aux clignos, à part les centrales je ne vois pas. Les centrales sont en 12V mais si tu les as changées y'a pas de problème ! Question, ce sont les mêmes les deux ? Parce que normalement il y a des centrales différentes selon les intensités prévues, en "warning" l'intensité est doublée donc une centrale pour warning ne convient pas pour des clignos, l'intensité ne suffira pas pour dilater le bilame (on parle de centrale mécanique bien sûr). Eventuellement tu permutes les deux ou tu testes en enlevant celle du warning.

Le régulateur H/S c'est celui de l'alternateur ou du tableau de bord (s'il y en a un) ?
Tu as le schéma du système ?

_________________
Phil Courant, Pau (64)
Imperial 1957 Crown convertible / Dodge Monaco wagon 1973 / Mercury 4drHT wagon Voyager 1957
http://www.ch300imp.com/
http://www.amerisud.fr/


Haut
 Profil  
Répondre en citant le message  
MessagePosté: Ven Oct 27, 2017 1:17 pm 
Hors ligne
Mopar fan confirmé
Mopar fan confirmé
Avatar de l’utilisateur

Enregistré le: Mer Juil 01, 2009 1:00 pm
Messages: 259
Localisation: Belgique / Nord
phil64 a écrit:
Tu as le schéma du système ?

J'allais poser exactement la même question ... :mrgreen:


Haut
 Profil  
Répondre en citant le message  
MessagePosté: Ven Oct 27, 2017 2:05 pm 
Hors ligne
Mopar interested
Mopar interested

Enregistré le: Mer Oct 25, 2017 12:44 pm
Messages: 83
Voilà ce que j'ai :


Fichiers joints:
20171027_142621.jpg
20171027_142621.jpg [ 977.71 Kio | Vu 4017 fois ]
20171027_142557.jpg
20171027_142557.jpg [ 1009.24 Kio | Vu 4017 fois ]
20171027_142539.jpg
20171027_142539.jpg [ 887.82 Kio | Vu 4017 fois ]
20171027_142522.jpg
20171027_142522.jpg [ 970.4 Kio | Vu 4017 fois ]
20171027_142425.jpg
20171027_142425.jpg [ 962.88 Kio | Vu 4017 fois ]
20171027_142348.jpg
20171027_142348.jpg [ 1005.01 Kio | Vu 4017 fois ]
IMG-20171027-WA0000.jpeg
IMG-20171027-WA0000.jpeg [ 398.43 Kio | Vu 4017 fois ]
Haut
 Profil  
Répondre en citant le message  
MessagePosté: Ven Oct 27, 2017 2:11 pm 
Hors ligne
Mopar interested
Mopar interested

Enregistré le: Mer Oct 25, 2017 12:44 pm
Messages: 83
Pour les centrales ce sont celle ci:
Mais cette pièces me parais assez usé : et je ne sais pas à quoi elle correspond ? (Juste au dessus des fusibles, trois broches)


Fichiers joints:
20171027_143108.jpg
20171027_143108.jpg [ 757.61 Kio | Vu 4015 fois ]
20171027_143009.jpg
20171027_143009.jpg [ 895.52 Kio | Vu 4015 fois ]
20171027_142939.jpg
20171027_142939.jpg [ 800.84 Kio | Vu 4015 fois ]
Haut
 Profil  
Répondre en citant le message  
MessagePosté: Ven Oct 27, 2017 3:04 pm 
Hors ligne
Mopar warrior
Mopar warrior
Avatar de l’utilisateur

Enregistré le: Mer Avr 25, 2007 8:28 am
Messages: 2501
Localisation: Pau - 64
D'après les schémas les 2 centrales sont à 2 broches, comme celle qui pendouille. Le "truc" à 3 broches ne doit pas être une centrale mais le "acc .ply" en haut de la photo 142425, sais pas ce que c'est.
Normalement tu peux identifier la centrale qui fonctionne en mettant la main dessus, on "sent" claquer (si on n'entends pas le son).
Le "hazard flasher" a un fil rose et un fil sais pas quoi (pas de chance le scan 142425 est flou) qui va au stoplight switch (contact de feu stop)
Le "directional flasher" est sur la photo 142348, fil rouge et l'autre c'est pas noté. Le problème c'est que je ne vois pas où ça va sur l'autre feuille (la 142425 je suppose)

_________________
Phil Courant, Pau (64)
Imperial 1957 Crown convertible / Dodge Monaco wagon 1973 / Mercury 4drHT wagon Voyager 1957
http://www.ch300imp.com/
http://www.amerisud.fr/


Haut
 Profil  
Répondre en citant le message  
MessagePosté: Ven Oct 27, 2017 3:14 pm 
Hors ligne
Mopar interested
Mopar interested

Enregistré le: Mer Oct 25, 2017 12:44 pm
Messages: 83
phil64 a écrit:
D'après les schémas les 2 centrales sont à 2 broches, comme celle qui pendouille. Le "truc" à 3 broches ne doit pas être une centrale mais le "acc .ply" en haut de la photo 142425, sais pas ce que c'est.
Normalement tu peux identifier la centrale qui fonctionne en mettant la main dessus, on "sent" claquer (si on n'entends pas le son).
Le "hazard flasher" a un fil rose et un fil sais pas quoi (pas de chance le scan 142425 est flou) qui va au stoplight switch (contact de feu stop)
Le "directional flasher" est sur la photo 142348, fil rouge et l'autre c'est pas noté. Le problème c'est que je ne vois pas où ça va sur l'autre feuille (la 142425 je suppose)


Effectivement les deux centrales sont à deux broches, une au dessus du pédalier (warning) et une derriere le cendrier (clignotants)
Oui le son est audible et à la main on sent qu'elles fonctionent toute les deux, mais comme dit plus haut,celle des clignos ne marche que quant les Warning sont mis également.

Merci beaucoup pour ta réponse. Je vais essayer de ressuivre tout ça mais j'ai beaucoup de mal avec ce genre de schema.


Haut
 Profil  
Répondre en citant le message  
MessagePosté: Ven Oct 27, 2017 3:26 pm 
Hors ligne
Mopar warrior
Mopar warrior
Avatar de l’utilisateur

Enregistré le: Mer Avr 25, 2007 8:28 am
Messages: 2501
Localisation: Pau - 64
Le "truc" à 3 broches semble être le relais de klaxon car sur ton schéma il est placé au dessus de ce que je suppose être la boîte à fusibles

Fichier(s) joint(s):
fusebox.jpg
fusebox.jpg [ 43.72 Kio | Vu 4004 fois ]


Tu confirmes que les deux centrales fonctionnent mais celle des clignos uniquement quand l'autre est en fonctionnement. J'ai eu des m..des de ce style sur la Ford quand je l'ai récupéré (c'était le contraire), le câblage avait été "bidouillé" quand un grand électricien avait supprimé les retours cligno latéraux (qui alternent avec les clignos normaux).
Il faudrait que je vois la correspondance entre les 2 feuilles. Si elles sont sur la même feuille tu peux scaner ou photographier ce qui est au milieu, pour voir où vont les fils.

Tu confirmes que ça s'est passé après ton incident de régulateur.

Tu as essayé de permuter les 2 centrales ?

Pour le "horn relay" c'est confirmé par cette photo

Fichier(s) joint(s):
fusebox2.jpg
fusebox2.jpg [ 154.16 Kio | Vu 4003 fois ]

_________________
Phil Courant, Pau (64)
Imperial 1957 Crown convertible / Dodge Monaco wagon 1973 / Mercury 4drHT wagon Voyager 1957
http://www.ch300imp.com/
http://www.amerisud.fr/


Haut
 Profil  
Répondre en citant le message  
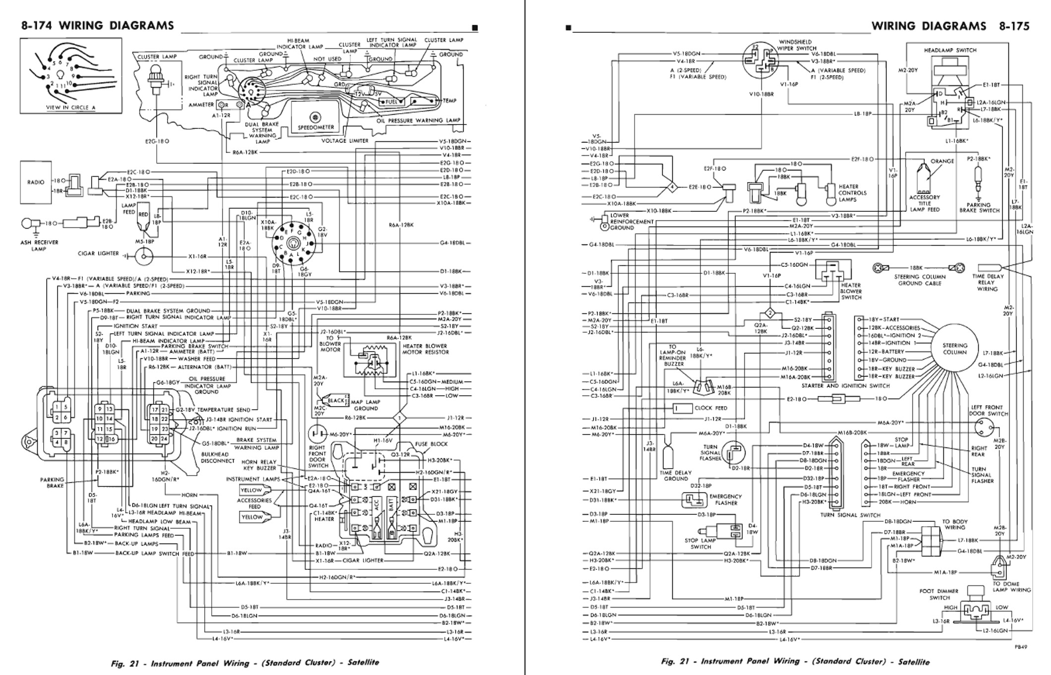
MessagePosté: Ven Oct 27, 2017 3:48 pm 
Hors ligne
Mopar warrior
Mopar warrior
Avatar de l’utilisateur

Enregistré le: Mer Avr 25, 2007 8:28 am
Messages: 2501
Localisation: Pau - 64
phil64 a écrit:
Si elles sont sur la même feuille tu peux scaner ou photographier ce qui est au milieu, pour voir où vont les fils.

Laisse tomber, c'est bon j'ai les schémas (qui ne sont pas les tiens mais qui sont bien 1971 Satellite std cluster, y'a aussi le rallye cluster, tu as lequel ?)


Fichiers joints:
71sat-cluster.jpg
71sat-cluster.jpg [ 596.67 Kio | Vu 4001 fois ]

_________________
Phil Courant, Pau (64)
Imperial 1957 Crown convertible / Dodge Monaco wagon 1973 / Mercury 4drHT wagon Voyager 1957
http://www.ch300imp.com/
http://www.amerisud.fr/
Haut
 Profil  
Répondre en citant le message  
MessagePosté: Ven Oct 27, 2017 6:20 pm 
Hors ligne
Secrétaire
Secrétaire
Avatar de l’utilisateur

Enregistré le: Mer Avr 25, 2007 8:55 am
Messages: 14057
Localisation: sur la terre planet earth
ta caisse aurait pas été francisé par hazard? C'est souvent la cause de problèmes :dance: Des fois un bon suivi de ton cablage avec ton schema electrique et en faisantune remise comme à l'origine en contrôlant ton faisceau et tes masses :dance: :dance:

_________________
Wanna drive my truck? Hauling ass sucking gas.
if it ain't a mopar it's pure shit :dance:


Haut
 Profil  
Répondre en citant le message  
Afficher les messages postés depuis:  Trier par  
Poster un nouveau sujet Répondre au sujet  [ 60 messages ]  Aller à la page 1, 2, 3, 4  Suivante

Heures au format UTC + 1 heure


Qui est en ligne

Utilisateurs parcourant ce forum : Aucun utilisateur enregistré et 14 invités


Vous ne pouvez pas poster de nouveaux sujets
Vous ne pouvez pas répondre aux sujets
Vous ne pouvez pas modifier vos messages
Vous ne pouvez pas supprimer vos messages
Vous ne pouvez pas joindre des fichiers

Rechercher:
Aller à:  
Développé par phpBB® Forum Software © phpBB Group
Traduit par phpBB-fr.com